2008 Ford F250 Headlight Wiring Diagram
2001 Hyundai Elantra Wiring Diagram, Hyundai Elantra Wiring Diagrams 1998 to 2016, 8.63 MB, 06:17, 15,957, John Amahle, 2018-11-17T16:37:24.000000Z, 19, 2001 Hyundai Elantra Radio Wiring Diagram For Your Needs, www.dentistmitcham.com, 1404 x 1200, jpeg, hyundai elantra wiring diagram radio 2001 forums needs, 20, 2001-hyundai-elantra-wiring-diagram, Anime Arts
Find wheels, tires, body panels, brakes, engine components, exhaust systems, shock absorbers, struts, electrical. 2002 ford focus wiring diagram / 2002 ford focus relay diagram wiring. 2008 f250 seat wiring diagram, looking for ford f250 wire diagram? 1984 f150 wiring diagram www. chanish. org.
Chip, afe magnum force stage ii cold air intake, zoodad mod, 5 exhaust from turbo back. 2008 ford f 250 super duty 4wd. Powerstroke altima blinker pinout wire. Is there a separate fuse for the 3rd brake. For 2008 + the wire. Dome light wiring ford f350 2008 wire diagram cab crew power supplies. Information on headlight wiring diagram chart 2000 ford f650 i replaced www. justanswer. com. 2008 ford f350 headlight wiring diagram. By admin | december 3, 2017.
I am adding foglights to my 2008 ford f250 that didn't come with them. I have changed the
35 2008 Ford F250 Wiring Diagram - Wiring Diagram Database
Wiring Diagram For F250 Headlight - Wiring Diagram

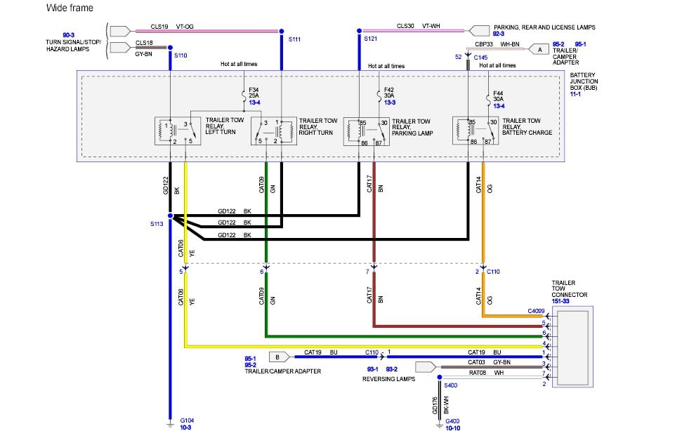
I have a 2008 F250 and the trailor plug has no clearance lights but it does have stop and turn

33 2000 F250 Headlight Switch Wiring Diagram - Wiring Diagram List
2016 Ford F250 Wiring Diagrams / Ford F 150 Headlight Wiring Part - Wiring Diagram / 2008 f250
26 2008 Ford F250 Wiring Diagram - Wiring Diagram List
2008 Ford F250 Tail Light Wiring Diagram
